![]() |
![]() |
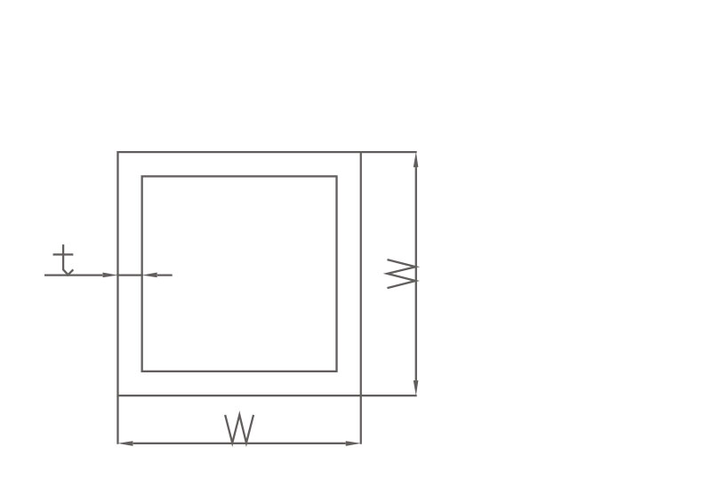
---|
型號(hào) | W(mm) | T(mm) | 米重(kg/m) |
JLFG12x1 | 12 | 1 | 0.12 |
JLFG20x2.5 | 20 | 2.5 | 0.48 |
JLFG20x3 | 20 | 3 | 0.551 |
JLFG21x2 | 21 | 2 | 0.50 |
JLFG22x3 | 22 | 3 | 0.63 |
JLFG25x1.4 | 25 | 1.4 | 0.36 |
JLFG25x2.2 | 25 | 2.2 | 0.49 |
JLFG25x3 | 25 | 3 | 0.712 |
JLFG30x2 | 30 | 2 | 0.62 |
JLFG30x2.5 | 30 | 2.5 | 0.76 |
JLFG32x1.5 | 32 | 1.5 | 0.50 |
JLFG35x1.9 | 35 | 1.9 | 0.69 |
JLFG35x3 | 35 | 3 | 1.01 |
JLFG38x1.5 | 38 | 1.5 | 0.60 |
JLFG40x1.2 | 40 | 1.2 | 0.502 |
JLFG50x2.5 | 50 | 2.5 | 1.26 |
JLFG50x3 | 50 | 3 | 1.523 |
JLFG50x5 | 50 | 5 | 2.48 |
JLFG60x1.5 | 60 | 1.5 | 0.94 |
JLFG60x3 | 60 | 3 | 1.85 |
JLFG65x2.5 | 65 | 2.5 | 1.68 |
JLFG76x1.3 | 76 | 1.3 | 1.048 |
JLFG78x1.5 | 78 | 1.5 | 1.26 |
JLFG80x1.5 | 80 | 1.5 | 1.30 |
JLFG80x3 | 80 | 3 | 2.54 |
JLFG95x2.5 | 95 | 2.5 | 2.50 |
JLFG95x5 | 95 | 5 | 4.86 |
JLFG100x1.8 | 100 | 1.8 | 1.909 |
JLFG100x5 | 100 | 5 | 5.13 |
JLFG100x2.5 | 110 | 2.5 | 2.91 |